Connecting plates are widely used in mechanical assemblies as positioning, transmission, and connection components. While their geometry is typically rotational, these parts often involve tight tolerances, stepped features, precision bores, and evenly distributed holes, making them highly sensitive to setup accuracy and process stability.
In this case study, we present the machining of a connecting plate on a four-axis machining center, using a fully integrated system manufactured and supplied by our factory. The process highlights how a complete tooling and workholding solution—Milling Cutters, Tool Holders, and a Self-Centering Vise—ensures accuracy, repeatability, and production readiness.
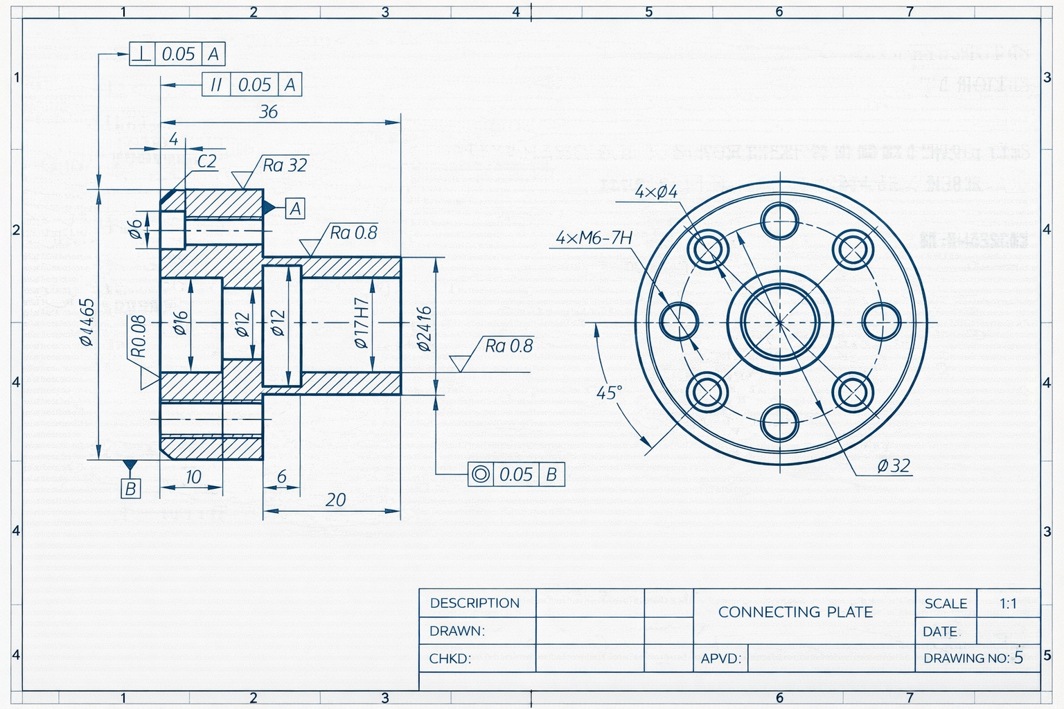
I. Part Overview and Technical Requirements
Processing drawings (not involving materials)
According to the engineering drawing, the connecting plate includes:
- · Outer diameter and stepped external profile
- · Multi-level internal stepped holes
- · A precision bore with H7 tolerance
- · Evenly distributed through holes
- · Threaded holes requiring positional accuracy
- · Multiple functional surfaces with Ra 0.8 surface finish
- · Geometric tolerances referenced to defined datum surfaces
These requirements make the part a strong example of a precision-oriented plate component, where tooling selection and clamping stability directly affect final quality.
II. Machine Setup: Four-Axis Machining Center
The part was machined on a four-axis machining center equipped with a rotary table.
Benefits of the four-axis configuration:
- · All circular features are machined around a single rotational axis
- · Indexing enables accurate positioning of evenly distributed holes
- · Reduced setup count improves coaxiality and repeatability
- · A stable process foundation for future batch production
III.Workholding Solution: Self-Centering Vise
To ensure accurate positioning and consistent results, the workpiece was clamped using our own Self-Centering Vise, mounted on the rotary table.
Why a Self-Centering Vise is ideal for connecting plates:
- · Automatic centering aligns the part axis with the rotary axis
- · Symmetrical clamping force improves stability
- · Reduced setup time and operator dependency
- · Excellent repeatability for rotational and plate-type components
The combination of a Self-Centering Vise and a four-axis rotary table ensures reliable positioning throughout the machining process.
IV.Cutting Tool System: Complete Milling Cutter Coverage
All machining operations were completed using our own Milling Cutters, selected according to drawing dimensions and feature requirements.
Milling Cutters used in this case:
- · Face Milling Cutter – for datum face machining
- · Flat End Mills – for external profiles, stepped surfaces, and cavities
- · Small-Diameter End Mills – for corner cleanup and fine features
- · Drills – for through holes and pre-tapping operations
- · Boring Tools – for achieving precision H7 bore tolerance
- · Taps – for threaded holes
- · Chamfer Mills – for edge finishing and burr removal
This full coverage allows all machining stages to be completed with tools from a single factory source.
V.Tool Holder Configuration: Stability for Every Operation
Different operations require different tool holding solutions. In this project, we applied multiple Tool Holder types:
- Used for precision boring and finishing
- Minimize runout and improve surface consistency
- Used for general milling and drilling
- Flexible and efficient for standard operations
Tapping Holders
- Used for internal thread machining
- Ensure stable and reliable tapping performance
This combination ensures optimal stability and accuracy at every machining stage.
VI.Typical Machining Process Flow
The connecting plate was machined with a minimized number of setups:
- 1. Face milling to establish datum surfaces
- 2. External profile and step machining using flat end mills
- 3. Rough and finish machining of internal stepped holes
- 4. Precision boring to achieve H7 tolerance
- 5. Drilling of evenly distributed holes using rotary indexing
- 6. Tapping of threaded holes
- 7. Chamfering and deburring of all edges
This process flow reduces cumulative error and improves dimensional consistency.
VII.Quality Control Focus
Key quality control points for this connecting plate include:
- · Coaxiality between the outer diameter and the precision bore
- · Positional accuracy of evenly distributed holes
- · Surface finish on functional faces
- · Burr-free edges for safe and reliable assembly
The stable interaction between Milling Cutters, Tool Holders, and the Self-Centering Vise plays a decisive role in meeting these requirements.
Processing involves tools
| Category | Tool Type | Application in This Project | Notes / Value Point |
| Milling Cutter | Face Milling Cuuter | Machining datum end faces | Used to establish stable reference surfaces |
| Milling Cutter | Flat End Mill | External profile and stepped surfaces | Core tool for outer diameter and step machining |
| Milling Cutter | Small-Diameter End Mill | Corner cleanup and fine features | Ensures sharp internal corners and clean transitions |
| Drilling Tool | Twist Drill | Through holes and pre-drilling for threads | Used for Ø4 holes and M6 tap preparation |
| Boring Tool | Boring Cutter | Precision bore (H7 tolerance) | Critical tool for achieving tight dimensional accuracy |
| Threading Tool | Tap (M6-7H) | Internal threaded holes | Used with rigid tapping cycle |
| Chamfer Tool | Chamfer Mill | Edge chamfering and deburring | Improves assembly safety and appearance |
| Tool Holder | Hydraulic Tool Holder | Precision boring and finishing operations | Minimizes runout, improves surface finish |
| Tool Holder | ER Collet Holder | General milling and drilling | Flexible holder for standard operations |
| Tool Holder | Tapping Holder | Threading operations | Ensures stable and reliable tapping |
| Workholding | Self-Centering Vise | Primary clamping on rotary table | Automatic centering ensures coaxial accuracy |
| Machine Accessory | Four-Axis Rotary Table | Indexing and rotational positioning | Enables accurate hole distribution and coaxial machining |
| Measuring Tool | Bore Gauge / Internal Micrometer | Inspection of H7 bore | Quality control for precision features |
| Measuring Tool | Micrometer / Caliper | External diameter inspection | Verifies step and outer profile dimensions |
| Measuring Tool | Dial Indicator | Setup and coaxiality check | Ensures alignment before and during machining |
We Are a Factory: Integrated Machining Solutions
This case demonstrates more than a machining result—it reflects our role as a manufacturing factory.
We provide:
- · A complete range of Milling Cutters
- · Multiple Tool Holder solutions, including Hydraulic Tool Holders
- · Reliable Self-Centering Vises and four-axis rotary tables
Customers can share part drawings, accuracy targets, and production goals. We respond with a fully integrated machining solution, designed and manufactured to work as a system.
For precision connecting plates, combining a four-axis machining center with a Self-Centering Vise, a complete Milling Cutter lineup, and the appropriate Tool Holder system results in a stable, repeatable, and production-ready process.
By controlling every element of the machining system, we help customers achieve consistent quality while simplifying setup and process management.
If you are machining connecting plates or similar precision components, contact us.
Provide your drawing and requirements—we will deliver the Milling Cutter, Tool Holder, and Self-Centering Vise solution that best fits your application.
Post time: Jan-21-2026




